



Drążek Kierwonczy
Parametry
- Stan
- Nowy
- Faktura
- Faktura VAT
- Waga (z opakowaniem)
- 0 kg
- Numer katalogowy części
- 02338754
- Numer katalogowy oryginału
- 02338754
- Numery katalogowe zamienników
- 02338754
- Producent części
- Bepco
Opis produktu


Drążek Kierowniczy
ZASTOSOWANIE:
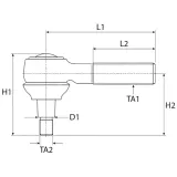
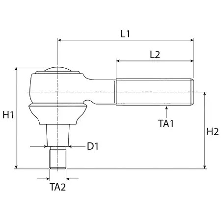
Rodzaj gwintu: Metric
Gwint - TA1: M20x1.5 RH
L1 (mm): 100
Stożek (mm): 16 - 18
Gwint - TA2: M14x1.5 RH
L2 (mm): 72
H1 (mm): 83
H2 (mm): 70
Numer Porównawczy: 02338754,1288430705,1288430710,1292430737,192430742,1966150C1,2338754,28100833,3147875R1,3148 926R1
Case-IH
Silnik
2000: 2120,2130,2140,2150
33: 433,533,633,733,833
43: 743
44: 644,744,844,844S,844XL
45: 845
46: 1046,1246,946
54: 554
55: 1055,1255,1255XL,955
56: 1056,956
PJ: PJ55,PJ65,PJ75,PJN55,PJN65,PJN75,PJV55,PJV65,PJV75
Claas / Renault
Silnik
50: 70-12V
80: 80-12V
Cergos: 340
Dionis: 120,130,140
Fructus: 110,120,130,140
Deutz
Silnik
05: 2505,3005,4005,4505,5005,5505,7505,7505F,7505U,9005,9005F,9005U
06: 10006,10006F,10006U,13006,16006,2506,3006,3006F,4006,4006F/S,4006U,4506,4506F,4506US,5006,5006F,5006U,5206,5206F,5206U,5506,5506F,5506U,6006,6006F,6006U,6206,6206F,6206U,6806,6806F,6806U,7006,7006F,7006U,7206,7206A,7206F,7206U,7506,7506F,7506U,8006,8006F,8006U,9006,9006A,9006F,9006U
07: 2807,3607,3607F,4007,4007F,4007U,4507,4507A,4507F,4807,4807A,4807F,5207,5207A,5207F,6007,6007A,6007F,6207,6207A,6207F,6507,6507A,6507F,6807,6807A,6907,7007,7007A,7207,7207A,7807,7807A
C: 4507C,4807C,5207C,6007C,6207C,6507C,6807C,6907C,7007C,7207C,7807C
D: 40,50
DX: DX80,DX80A
Fendt
Farmer 100: 102,102LS,102LSA,102S,102SA,103,103LS,103LSA,103S,103SA,104LS,104LSA,104S,104SA,105,105LS,105LSA,105S,105SA,106LS,106LSA,106S,106SA
Farmer 300 C: 307,308,309
Farmer 300 LS(A): 303,304,305,306,308,309,310,311
Farmer 300 TURBOMATIK: 307,308,309,310,311
Ford
10: 2610,2810,2910,3610,3910,4610
30: 3930,4630,4830,5030
600: 2600,3600,4100
John Deere
50005300N,5400N,5500N
50055215F,5215V,5315F ,5315V
50105310N,5410N ,5510N
50155515F,5515V
5G5100GV
5GN5090GV
5GV5090GV
Massey Ferguson
3600: 3625 V/S/F/GE ,3635 V/S/F/GE,3640,3645 V/S/F/GE,3650 S/F/V/GE ,3655 S/F/V/GE,3660 S/F/V/GE
Valmet / Valtra
300: 305
400: 405


